Na podujatí sa predstaví až 37 vystavovateľov - popredných dodávateľov stavebných materiálov a inovácií s prezentáciou...
Novotvar v prostredí alpskej obce.
Hansgrohe - prémiová značka kúpeľňových riešení, ponúka nadčasový dizajn, technickú precíznosť a udržateľné inovácie...
Využite špeciálnu akciu Internorm: okná za minuloročné ceny a hliníkový kryt úplne zadarmo. Ponuka je časovo obmedzená!
Sumarizácia najdôležitejších inovácií, ktoré redefinujúcich využitie tohto energetického zdroja.
AMPHIBIA 3000 GRIP 1.3 od spoločnosti ATRO predstavuje modernú hydroizolačnú technológiu, ktorá spája vysokú odolnosť,...
Ambiciózne plány EK narazili na ekonomické možnosti domácností v jednotlivých členských štátoch –...
IDEA DOOR od spoločnosti JAP prináša do interiéru čistý minimalistický vzhľad vďaka bezrámovému riešeniu a precíznej...
Kontinuita riešenia od vonkajšieho obkladu až po kovania a kľučky.
Nástenné nadomietkové armatúry Vitus sú mimoriadne vhodné pre rýchlu a efektívnu...
Okenné profily z kompozitného materiálu RAU-FIPRO X od spoločnosti Rehau sú v porovnaní s tradičnými plastovými profilmi mnohonásobne...
Najnovší sortiment stolov pre zariadenie interiérov...
Spojenie moderného dizajnu, funkčnosti a svetla do harmonického architektonického prvku.
Kancelárska budova Baumit v slovinskom Trzine prešla premenou na moderné a udržateľné pracovisko. Architekti kládli dôraz...
Mottom šiesteho ročníku on-line konferencie odborníkov Xella Dialóg je Efektívny návrh budov 2025+: zmeny a riešenia

Prefabrikované konštrukčné systémy prinášajú množstvo výhod v porovnaní s ich monolitickou alternatívou. Čas výstavby v mnohých prípadoch taktiež zohráva dôležitú úlohu pri výbere vhodného konštrukčného systému. Využitie prefabrikovaných nosných systémov tak má v súčasnosti čoraz väčšie uplatnenie. DELTABEAM® nosníky, vzhľadom na efektívnosť ich návrhu a rýchlosť realizácie, nachádzajú uplatnenie na Slovensku i v Čechách v rôznych typoch budov, ako sú napríklad školy, administratívne budovy, či nemocnice.
Aktuálna realizácia nadstavby a prístavby pavilónu CH nemocnice v Českých Budějoviciach, je príkladom, ktorý vyzdvihuje výhody prefabrikovaných bezprievlakových stropných konštrukcií. V tomto prípade pozostávajú zo spriahnutých oceľobetónových nosníkov DELTABEAM® od spoločnosti Peikko Slovakia, na ktoré sú kladené prefabrikované predpäté dutinové panely Spiroll. Projektantom sa tak podarilo dosiahnuť aj pri veľkom osovom rozpone subtílne stropné konštrukcie, bez použitia viditeľných prievlakov. Zvolené riešenie prináša viacero výhod, nielen v spojitosti s rýchlosťou výstavby, ale aj s možnosťou vedenia množstva inštalácií tesne pod stropom. Prestavba pavilónu oddelenia chirurgie prebiehala od roku 2019 a je najrozsiahlejšou rekonštrukciou tejto nemocnice, ktorá zabezpečí zlepšenie poskytovania zdravotnej starostlivosti a komfortu pacientov.
Využitie bezprievlakového systému, optimalizácia konštrukčných výšok a úspora času
Spomenuté prednosti systému DELTABEAM® potvrdzujú aj slová projektantov zo spoločnosti AGP-nova: "Zvažovali jsme jak variantu skeletové prefabrikované konstrukce, tak použití monolitických konstrukcí. Projekt řešil stavební úpravy stávajícího pavilonu, různé přístavby a nástavby, to vše propojené se stávajícími konstrukcemi a stávajícími nízkými konstrukčními výškami. Velkou výhodou byl bezprůvlakový systém, který umožnil lepší koordinaci rozvodů jednotlivých profesí v podhledech pod stropní konstrukcí. Při použití jiného systému s průvlaky by toto nebylo možné. Další výhodou pro stavbu byla rychlá montáž celého systému."
Prestavba počas kontinuálnej prevádzky oddelení
Zdravotnícke zariadenie tvoria dva komplexy nemocničných budov rozdelených na jednotlivé pavilóny. Realizovaná prestavba a nadstavba sa týkala pavilónu chirurgických oddelení (pavilón CH), pričom je rozdelená na dva vzájomne prepojené stavebné celky „SO 01 a SO 02 Prístavba a nadstavba pavilónu CH“ a „SO 08 Nadstavba pavilónu CH1“. Tento nový sedempodlažný stavebný celok je situovaný v átriu areálu nemocnice.
V prípade prestavby nemocnice v Českých Budějoviciach bolo trvanie výstavby jedným z kľúčových kritérií. Kontinuálny chod, oddelení nachádzajúcich sa v dotknutej časti, podmienil rozdelenie stavebných prác do dvoch etáp.
Úspora svetlej výšky pri zväčšení rozozponov
Nosnú konštrukciu pôvodnej budovy nemocnice tvorí železobetónový prefabrikovaný skelet. Z dispozičných dôvodov bolo potrebné v pristavovanej časti zväčšiť osovú vzdialenosť stĺpov, v dôsledku čoho by sa musela zväčšiť výška železobetónových prefabrikovaných nosníkov. Nakoľko prístavba nadväzuje na už existujúci objekt, bolo potrebné dodržať konštrukčnú výšku podlaží, čo by v prípade použitia vysokých železobetónových nosníkov výrazne znížilo ich svetlú výšku. Vhodnou alternatívou sa preto preukázala kombinácia prefabrikovaných železobetónových stĺpov so spriahnutou stropnou konštrukciou tvorenou oceľobetónovými nosníkmi DELTABEAM® navrhnutými a vyrobenými spoločnosťou Peikko Slovakia s.r.o. a predpätými stropnými dutinovými panelmi Spiroll.
Návrh nosníkov DELTABEAM®
Nosníky DELTABEAM® boli v rámci projektu prístavby nemocnice v Českých Budějoviciach použité od úrovne stropnej konštrukcie nad 2. NP. Spojením spriahnutých nosníkov a predpätých stropných dutinových panelov vznikla tenká stropná konštrukcia schopná prenášať zvislé zaťaženia aj v prípade relatívne veľkých rozpätí prislúchajúcich polí. V celom objekte boli použité dva typy nosníkov, a to vnútorné nosníky s označením Dx-y a krajné nosníky DRx-y, kde x predstavuje typovú výšku nosníka (výška nosníka bez hrúbky spodnej pásnice) a y rozostup stien na spodnej pásnici. V rámci celého projektu boli použité nosníky DELTABEAM® s výškou 200 mm až 500 mm a šírka nosníkov sa pohybovala v rozmedzí od 250 mm do 600 mm.
Spriahnuté DELTABEAM® nosníky umožňujú realizovať stropnú konštrukciu bez viditeľných prievlakov, tzv. „slim-floor“, ako tomu bolo aj v značnej časti pôdorysu vybraných podlaží. Na 6. NP, kde sa nachádza strojovňa vzduchotechniky, bolo potrebné kvôli akustickým požiadavkám navrhnúť stropnú konštrukciu s väčšou hrúbkou. Konkrétne išlo o filigránový strop hrúbky 300 mm. Filigránové dosky boli podopreté DELTABEAM® nosníkmi s tzv. downstandami. Návrh DELTABEAM® nosníka s downstandom môže viesť k ekonomicky výhodnejšiemu návrhu, avšak s čiastočným priznaním nosníka zo spodu stropnej konštrukcie.
Napriek tomu je výška DELTABEAM® nosníkov s downstandom podstatne nižšia v porovnaní so železobetónovými prefabrikovanými nosníkmi.
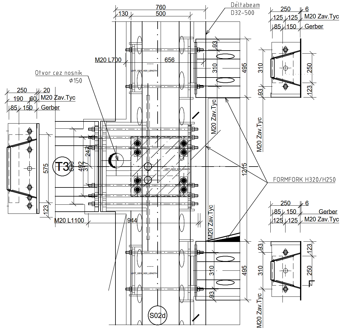
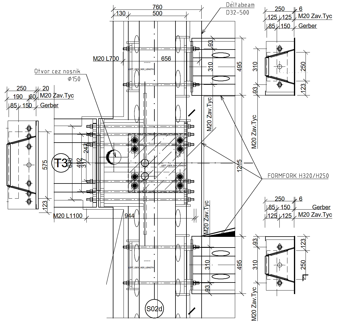
Nosníky v smere kolmom na stropné panely boli navrhnuté ako spojité nosníky s maximálnou dĺžkou rozpätia 8,4 m, pričom nadpojenie ďalšieho nosníka bolo realizované gerberovým spojom (Obr. 5). V prípade potreby eliminácie dĺžkových tolerancií bolo možné vložiť medzi nosníky hrebeňovú vložku „shim-plate“. Konzolové vyloženie týchto nosníkov bolo až 2,79 m. Vnútorné i okrajové nosníky typu DR v smere rovnobežnom so stropnými panelmi boli navrhnuté ako prosté nosníky s príslušnými rozpätiami a plnili funkciu tiahla.
Každý DELTABEAM® nosník je navrhovaný jednotlivo a to za účelom zabezpečenia jeho maximálneho, ale zároveň bezpečného využitia. Na podrobné posúdenie nosníkov v montážnom i konečnom štádiu sa používa interný software Peikko Designer® DELTABEAM®.V montážnom štádiu sa posudzujú samostatné oceľové nosníky, ktoré sú schopné prenášať tiaž stropných panelov a dočasné premenné zaťaženie. Jednostranné ukladanie panelov na nosníky v nich vyvoláva krútenie, ktoré bolo potrebné posúdiť osobitne v montážnom štádiu každého nosníka.
Vzhľadom na to, že DELTABEAM® nosníky sú pomerne subtílne vzhľadom k svojej dĺžke, pri veľkých rozpätiach boli nosníky vyrobené s miernym nadvýšením, ktoré sa eliminovalo po položení stropných panelov na spodnú pásnicu nosníkov. Výsledná deformácia nosníkov tak mala výrazne menšiu hodnotu v štádiu užívania.
Rovnako individuálne sa pristupovalo aj k riešeniu spojov jednotlivých DELTABEAM® nosníkov. Na obrázku možno vidieť napojenie troch sekundárnych nosníkov na hlavný nosník v osi S02d, ktorý podopiera samotné stropné panely. Dvojica závitových tyčí pripájajúcich nosníky prichádzajúce zľava (resp. šestica tyčí zprava) nezabezpečuje prenos ohybového momentu do primárneho nosníka, ale len zabraňuje krúteniu nosníka v montážnom a v konečnom štádiu.
Pri nepravidelnej konštrukcii vo vertikálnom smere je možné prispôsobiť umiestnenie nosníka do požadovanej polohy. Dôvodom môžu byť napríklad prestupy stropnou konštrukciou v blízkosti stĺpov, alebo umiestnenie ťažkých priečok mimo osi základného rastra, ako tomu bolo aj v tomto prípade. Systém DELTABEAM® nosníkov je tak v porovnaní so železobetónovými prievlakmi viac prispôsobiteľný požiadavkám či už architekta, technológa, či hlavného statika stavby.
Výhodou pri domácich projektoch je spoločné situovanie projekčného oddelenia a samotnej výroby nosníkov v Peikko Slovakia s.r.o. v Kráľovej nad Váhom, čo sa v závislosti od náročnosti projektu odrazí v rýchlosti návrhu, výroby a následného dodania nosníkov na stavbu. V mnohých prípadoch komunikácia medzi zodpovedným riešiteľom projektu a projektantom z Peikko Slovakia s.r.o. pokračuje aj po odovzdaní nosníkov na stavbu, nakoľko prípadné otázky či včasné riešenie nezrovnalostí vedie k úspore času a k následnej spokojnosti na oboch stranách.
Montáž stropnej konštrukcie
Vzhľadom na rozsah stavby a hmotnosť najväčších nosníkov boli použité tri žeriavy vysokej tonážnej rady s nosnosťou až 6 t. Po osadení nosníkov do ich správnej polohy prebiehalo ukladanie jednotlivých stropných panelov po poliach. Pri ukladaní panelov boli DELTABEAM® nosníky podopreté vzperami umiestnenými v blízkosti podpery z oboch strán. Toto podopretie zabraňuje neželanému krúteniu nosníka nad podperami. Dôležité je však spomenúť, že toto podopretie nemá zabrániť prehýbaniu nosníkov a vzpery sa neumiestňujú do stredu rozpätí. Nakoľko sú nosníky častokrát navrhované s výrobným nadvýšením, pri podopretí nosníkov v strede ich rozpätia by mohli ostať vzopäté smerom nahor aj v štádiu užívania. Po uložení panelov sa do nosníkov vložila priečna prepojovacia výstuž. Nosníky a škáry medzi panelmi sa vyplnili betónom triedy C25/30. Po vytvrdnutí betónu sa odstránili vzpery podopierajúce nosníky v blízkosti stĺpov.
Prefabrikované konštrukčné systémy sa čoraz viac dostávajú do popredia, najmä vďaka spomínaným výhodám. Výsledkom je rýchlejší a udržateľnejší spôsob návrhu nosných konštrukcií a samotnej výstavby. Návrh prefabrikovanej konštrukcie v podobe železobetónových stĺpov a spriahnutej stropnej konštrukcie z DELTABEAM® nosníkov a predpätých dutinových panelov sa v mnohých ohľadoch preukázal ako najvhodnejší typ konštrukcie na účely prestavby nemocnice v Českých Budějoviciach. Vďaka tenkým stropným konštrukciám bolo možné dodržať výškové úrovne jednotlivých podlaží pôvodnej budovy nemocnice a tak sa k nej ľahko pripojiť.
Fotoaléria z výstavby:
Dokončená stavba pavilónu CH s nosníkmi DELTABEAM®:
Základné informácie o stavbe:
Názov stavby: Přístavby, nástavby a stavební úpravy pavilonu CH Nemocnice České Budějovice
Stavebník: Nemocnice České Budějovice, a.s.
Realizácia: 11/2019 - 05/2022
Zastavaná plocha: 5 711,9 m2
Obostavaný priestor: 82 850,0 m3
Úžitková plocha: 15 698,5 m2
Termín dodávok nosníkov: 14.7.2020 – 25.11.2020
Podlažia: 2. NP - 7. NP
Celková hmotnosť nosníkov: 600,5 t
Celková dĺžka nosníkov: 3 080 m
Počet kusov: 393 ks
Hmotnosť nosníka: 150 – 5600 kg
Dĺžka nosníkov: 2,1 - 12,5 m
Výška nosníkov: 20 až 50 cm